a8体育免费观看 - 手机app官方版免费安装
关于我们
关于我们
产品及服务
产品及服务
新闻中心
新闻中心
项目案例
项目案例
联系我们
联系我们
English
English
阿里
|
天猫
首 页
关于我们
企业简介
企业文化
领导致辞
资质荣誉
产品及服务
光伏配电系列
低压配电系列
电力电源系列
中高压输配电
新闻中心
公司新闻
媒体报道
项目案例
联系我们
联系方式
合作共赢
下载中心
企业商城
阿里店铺
天猫店铺
中文
EN
产品及服务
产品及服务
光伏配电系列
低压配电系列
电力电源系列
中高压输配电
返回列表
高压开关设备
▸ 光伏配电系列
▸ 低压配电系列
▸ 电力电源系列
▸ 中高压输配电
返回列表
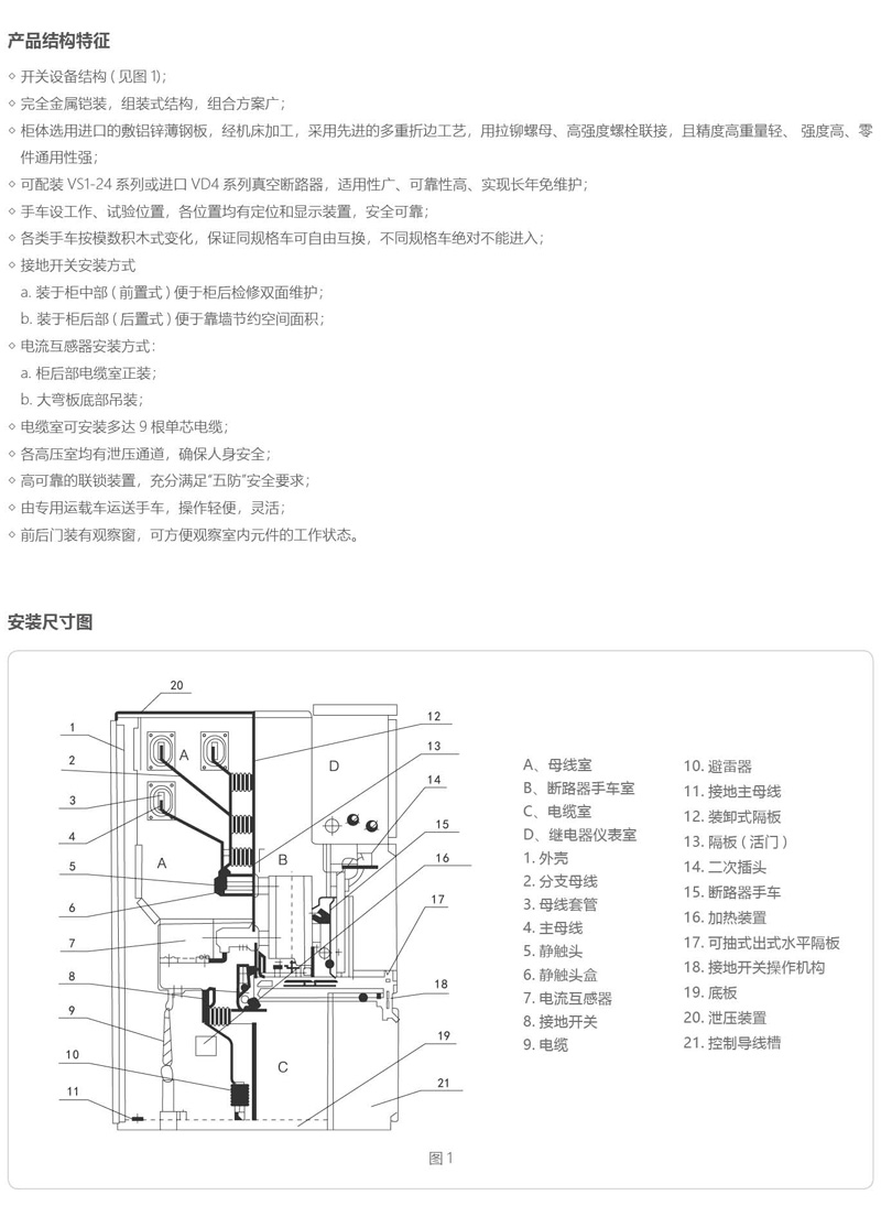
KYN28-24 铠装移开式交流金属封闭开关设备
<
>
产品概述
产品证书
项目案例
联系我们
产品概述
产品证书
项目案例
联系我们
上一篇:
KYN28-12 型铠装移开式交流金属封闭开关设备
下一篇:
SN-12全绝缘充气式环网开关设备
©2024 版权所有 a8体育免费观看 All Rights Reserved.
沪ICP备14035380号
[email protected]
13510073772
15815555301
TOP